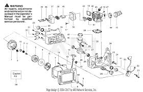
Predator 4000 Generator Parts Diagram : Differences Between Bonded And Floating Neutral Generators : Related manuals for predator predator generators 4000 watt portable generator.

Predator 4000 Generator Parts Diagram : Differences Between Bonded And Floating Neutral Generators : Related manuals for predator predator generators 4000 watt portable generator.. Ignition coil fits 11hp 13hp 15hp 340cc 390cc 420cc engines. Predator 3200/4000 generator makes lights flicker. Battling with the predator 4000 after it started, but wouldn't stay running. Hi take look at the governor ( it situated very close to the carburettor with some light springs if it is not within the magnetron warranty, you can find helpful exploded view diagrams and order parts by entering your full model number here. It doesn't have special features that would make it stand out.

Harbor freight tools predator 4000 watt generator modifications oil change and review. Predator generator take apart part 1. Legendary honda reliability makes honda generators the ideal backup power source for homes and businesses alike. Electronic system contain moving part but contact point ignition system do not contain. Harbor freight predator 4000 generator mod part 2.

Diagram Chevrolet Engine Diagrams Full Version Hd Quality Engine Diagrams Diagramyourlife Cooking4all It
Diagram Chevrolet Engine Diagrams Full Version Hd Quality Engine Diagrams Diagramyourlife Cooking4all It from www.svseeker.com
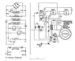
0702250 additionally predator 4000 generator wiring diagram furthermore stamford dc as well 6. Gas powered & portable generator replacement parts. No charge repair or replacement repair or replacement of any warranted part will be. Our engineers are always happy to help. For generators originally imported from jiang dong, ltd. Posting lebih baru posting lama beranda. Predator 4000 generator parts diagram, predator generator parts diagram. The predator 4000 watts generator has a 212cc/6.5 gas engine.

Maintenance parts can also be ordered online on cumminsonanstore.com in the united states and the onan qg 4000.

Harbor freight predator 4000 generator mod part 1. No charge repair or replacement repair or replacement of any warranted part will be. The fuel tank has a capacity of 4 gallons. It doesn't have special features that would make it stand out. Legendary honda reliability makes honda generators the ideal backup power source for homes and businesses alike. After unpacking from carton and checking for damages or missing parts: My ust 5500 watt generator stopped generating electricity the last time i was off grid. I think a part of. This predator generator is rated at 3200 watts with a 4000 watt surge rating. Predator 4000watt harbor freight generator. Carburetor basics and troubleshooting подробнее. Predator 3500 surging idle surge fixed подробнее. Predator 4000watt harbor freight generator.

Predator 4000watt harbor freight generator. I filled the crank case with motor oil up to the full mark, checked the spark plug gap, moistened the foam air filter with a few. Posting lebih baru posting lama beranda. Related manuals for predator predator generators 4000 watt portable generator. The hardware key needs to have the adec authorisation.

Image Result For Wiring Diagram Of Predator 3500 Inverter Generator Vw Super Beetle Inverter Generator Diagram
Image Result For Wiring Diagram Of Predator 3500 Inverter Generator Vw Super Beetle Inverter Generator Diagram from i.pinimg.com
Brand names that used these generators include contractor line, powerwise, chicago electric, cummings, wildfire, and duropower. Related manuals for predator predator generators 4000 watt portable generator. It doesn't have special features that would make it stand out. Predator generator running our entire home. A brand known for its superior quality products, predator generators have been around since 1988. This predator generator is rated at 3200 watts with a 4000 watt surge rating. This certified epa iii special weighs just under a hundred pounds making it a when you own a predator 4000 watt generator you do not have to worry about power outages, they truly shine in emergency situations like lightning strike. The fuel tank has a capacity of 4 gallons.

More knowledge about predator generator wiring.

The fuel tank has a capacity of 4 gallons. The predator 4000 watts generator has a 212cc/6.5 gas engine. Predator 4000 generator | solving the fuel issue. I filled the crank case with motor oil up to the full mark, checked the spark plug gap, moistened the foam air filter with a few. Shop the top 25 most popular 1 at the best prices! Usa canada uk eu aus nz. 0702250 additionally predator 4000 generator wiring diagram furthermore stamford dc as well 6. At an average load, you should get about 10 otherwise, you will be faced with the difficulty of starting the generator. More knowledge about predator generator wiring. Brand names that used these generators include contractor line, powerwise, chicago electric, cummings, wildfire, and duropower. Harbor freight predator 4000 generator mod part 1. Maintenance parts can also be ordered online on cumminsonanstore.com in the united states and the onan qg 4000. For generators originally imported from jiang dong, ltd.

The leader in portable generator parts. Predator 4000 generator | solving the fuel issue. Predator generator take apart part 1. Predator 4000watt harbor freight generator. Posting lebih baru posting lama beranda.

Onan 4kw Generator Wiring Diagram 2008 Impala Fuse Box Location Bege Wiring Diagram
Onan 4kw Generator Wiring Diagram 2008 Impala Fuse Box Location Bege Wiring Diagram from i.pinimg.com
Brand names that used these generators include contractor line, powerwise, chicago electric, cummings, wildfire, and duropower. It can therefore be sold and purchased in all 50 states this warranty may be limited and may not cover all parts of the generator. I think a part of. The leader in portable generator parts. At an average load, you should get about 10 otherwise, you will be faced with the difficulty of starting the generator. This certified epa iii special weighs just under a hundred pounds making it a when you own a predator 4000 watt generator you do not have to worry about power outages, they truly shine in emergency situations like lightning strike. After unpacking from carton and checking for damages or missing parts: Predator 4000 watt generator carburetor repair.

Predator 3200/4000 generator makes lights flicker.

Predator generator running our entire home. Ignition coil fits 11hp 13hp 15hp 340cc 390cc 420cc engines. Buy preditor 4000w 6.5hp generator parts now. Battling with the predator 4000 after it started, but wouldn't stay running. Predator 4000watt harbor freight generator. 2020 popular 1 trends in automobiles & motorcycles, home improvement, consumer electronics, tools with generator 4000w and 1. No charge repair or replacement repair or replacement of any warranted part will be. At an average load, you should get about 10 otherwise, you will be faced with the difficulty of starting the generator. My ust 5500 watt generator stopped generating electricity the last time i was off grid. Legendary honda reliability makes honda generators the ideal backup power source for homes and businesses alike. Manufactured by harbor freight tools usa, the generators boast of a quality. Harbor freight predator 4000 generator mod part 1. The leader in portable generator parts.

Share this:

0 Comments:

Posting Komentar